-
Accessoires portes pivotantes isothermes
- Gâches 520/520, 920/921 et 6300 pour portes de chambres froides
- Loqueteaux
- Charnières - Corps de pivot
- Fermetures MTH et autres pour chambres froides
- Fermetures FERMOD pour chambres froides
- Fermetures RAHRBACH pour chambres froides
- Fermetures STUV pour chambres froides
- Mécanismes de fermeture pour portes de chambres froides
- Fermetures pour meubles frigorifiques
- Accessoires ferrures pour chambres froides
- Fermetures de meubles et espaces réfrigérés
- Matériel pour portes Coulissantes isothermes
- Profilés de finition et de rénovation pour l'hygiène en chambres froides
- Pièces détachées Froid
- Bourrelets et joints pour chambres froides
- Aménagement de chambre froide
- Accessoires pour le maintien du froid
- Equipements réfrigération CHR
- Protection de portes et meubles frigorifiques
Equipement froid
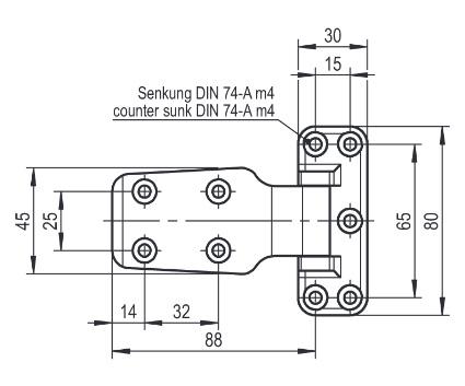
CHARNIERE NON MONTANTE STUV
DESCRIPTIF :
• CHARNIERE CHAMBRE FROIDE
• Marque STUV
• Charnière non montante sans rampe pour portes plates et en surépaisseur sans décalage
• Délais modifiables selon les stocks en cours
AVANTAGES :
• Interchangeable gauche / droite
CARACTERISTIQUES TECHNIQUES :
• Finition : Chromé
• Poids : 0,2 kg
• Poids de porte maximum : 23 kg
• Dimensions de porte maximales : 0,8x0,5m
Pour toute question ou renseignements complémentaires : CONTACTEZ NOTRE SERVICE CLIENT
Photos non contractuelles
Avis client
Ajouter un avis